Kétszáznegyvenmillió éves, 10 centiméteres törpeszauruszt fedeztek fel Németországban. A mai Baden-Württemberg területén élő gyíkszerű állat maradványaira a Stuttgarti Természettudományi Múzeum kutatói bukkantak egy Vellberg város közelében lévő kőfejtőben.
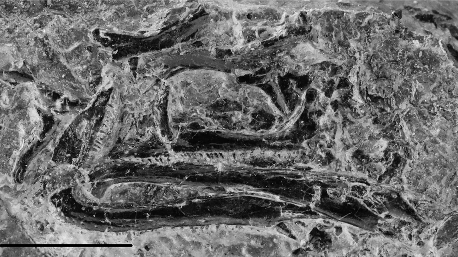
Rainer Schoch paleontológusnak és dinoszaurusz-szakértőnek a hüllő feje tűnt fel egy szürke agyagrétegben, amely egy régen eltűnt tó alján rakódott le. A mindössze 12 milliméter hosszúságú fejet mini számítógépes tomográffal vizsgálták meg. Láthatóvá váltak így a koponyacsontok és a rovarevő állat fogai. "Általa egy új fajt és nemet is felfedeztünk" – mondta Schoch. A kicsiny állatnak Schoch és csapata a megtalálási hely, Vellberg, valamint Alfred Bartholomä fosszíliagyűjtő tiszteletére a Vellbergia bartholomaei nevet adta. A felfedezésről a Scientific Reports című szaklapban számoltak be.

A múzeum szerint a törpeszaurusz a lepidosauria csoport egyik legrégebbi képviselője, a csoport ma több mint 10 ezer fajt foglal magában. A meglepően apró leletnek nagy jelentősége van a triász kori élőhely további kutatása és rekonstrukciója szempontjából. A lepidosauria csoportba, vagyis a pikkelyes bőrűek közé tartozó állat a hüllők fejlődéséről is lényeges információval szolgál. „Azért olyan izgalmas ez az állatka, mert nagyon keveset tudunk a hüllők és kígyók elődeiről” – mondta Rainer Schoch.
Az új lelet bepillantást enged a dinoszauruszok kialakulása előtti időszakba is, a hatalmas állatok ideje ugyanis Schoch szerint 20 millió évvel később kezdődött. Korábban már találtak ugyan a dinoszauruszok előtti időszakból származó leleteket, de eddig csak nagyobb fajoktól, például 5-6 méteres krokodiloktól.

